Über Uns
Wir sind ein Unternehmen im Bereich der Herstellung von technischen Federn sowie von Biegeteilen aus Runddraht das auf eine mittlerweile über 50 Jährige Firmenhistorie zurückblickt.
Firmensitz ist Bad Berleburg-Berghausen im Wittgensteiner Land, mitten in Deutschland gelegen.
Zu unseren Produkten zählen neben Druck-, Zug, und Schenkelfedern auch Sprengringe in allen gängigen Maßen sowie Hakensprengringe und Bauwellenband.
Ebenso gehören Sonderanfertigungen auch in Kleinserien zu unserer Produktpalette, die speziell auf den Einsatz beim Kunden und dessen Bedürfnissen angepasst sind.
Der Einsatz von modernen CNC-Federwindeautomaten ermöglicht eine effiziente und wirtschaftliche Fertigung von Produkten in den verschiedensten Bauformen, vom Einzelteil bis zur Serienfertigung.
Dank einer großen Erfahrung in der Produktion sowie der Entwicklung von technischen Federn helfen wir gerne bei der Findung von Produktlösungen und der Berechnung von neuen Produkten in enger Zusammenarbeit und Absprache mit dem Kunden. Unser kompetentes Team steht Ihnen mit Rat und Tat zur Seite.
Durch langjährige und zuverlässige Partner in der Oberflächenbehandlung sind unsere Produkte in sämtliche Oberflächen erhältlich, wobei durch die regionale Nähe der Partner eine Flexibilität gegeben ist, die es erlaubt, auch kurzfristige Lösungen zu realisieren.
Produkte

Druckfedern
Druckfedern
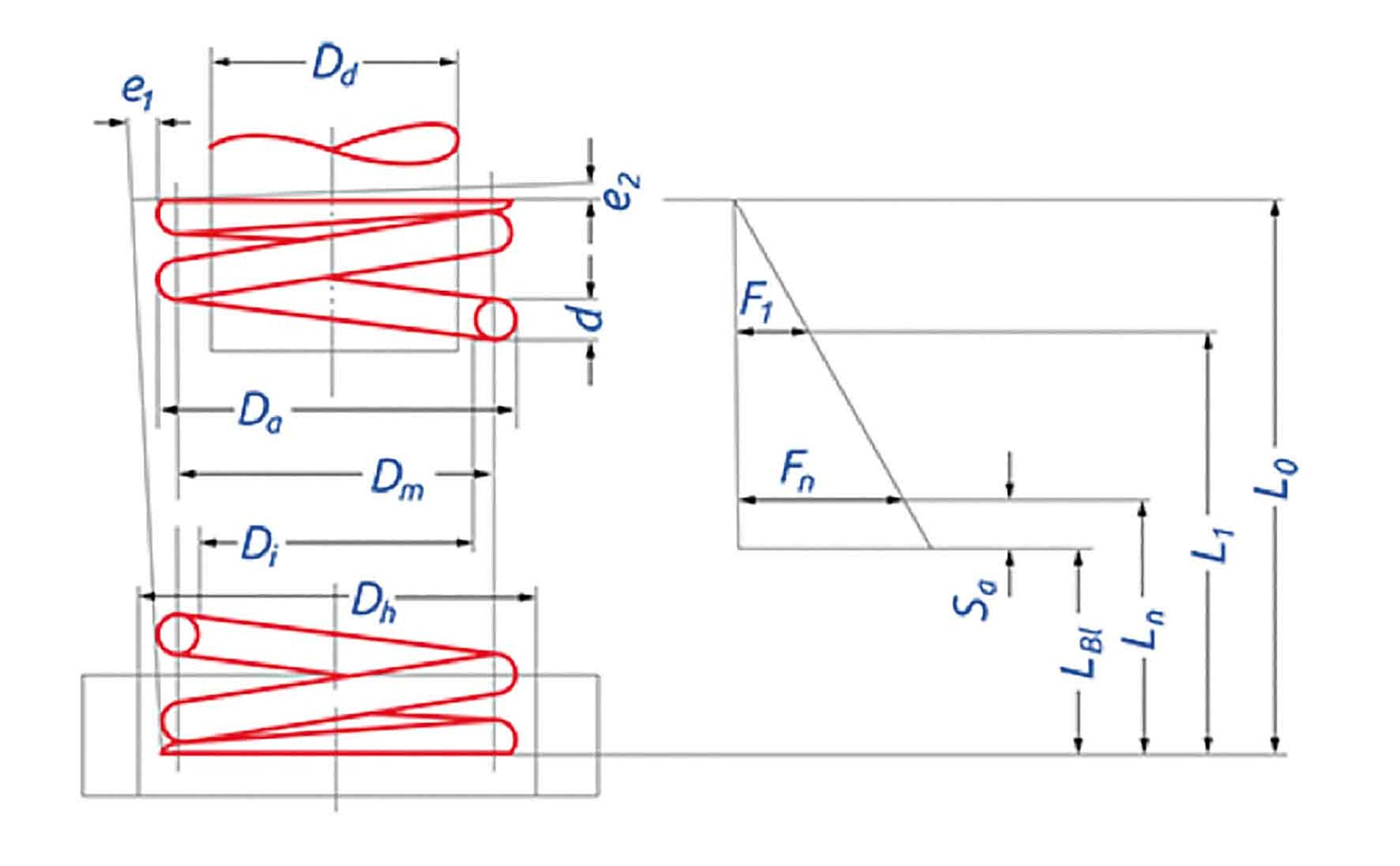
Wir fertigen Druckfedern in Drahtstärken von 0,20 mm bis 6,0 mm. Von zylindrischen Federn über konische und doppelkonische Federn können alle Bauformen in den gewünschten Abmessungen und in den verschiedensten Werkstoffen gefertigt werden.
Verwendete Werkstoffe:
- Federstahldrähte nach EN 10270-1 (DH, SH, SM,…)
- nichtrostente Federstahldrähte nach EN 10270-3 (1.4310, 1.4571, 1.4568, 1.4401,…)
- Inconel
- Bronze- und Kupferdrähte
- verzinkte Federstahldrähte nach EN 10270-1
Beschichtungsverfahren:
Verzinken, Vernickeln, Verkupfern, Vermessingen, Verzinnen, Kupfer brünieren (braun + schwarz), nichtmetallische Überzüge, Gleitlackbeschichtungen

Zugfedern
Zugfedern
Zugfedern können in Drahtstärken von 0,2 mm bis 5,0 mm in allen gängigen Ösenformen sowie Abmessungen gefertigt werden.
Verwendete Werkstoffe:
- Federstahldrähte nach EN 10270-1 (DH, SH, SM,…)
- nichtrostente Federstahldrähte nach EN 10270-3 (1.4310, 1.4571, 1.4568, 1.4401,…)
- Inconel
- Bronze- und Kupferdrähte
- verzinkte Federstahldrähte nach EN 10270-1
Beschichtungsverfahren:
Verzinken, Vernickeln, Verkupfern, Vermessingen, Verzinnen, Kupfer brünieren (braun + schwarz), nichtmetallische Überzüge, Gleitlackbeschichtungen

Knickschutz / Druck-Zugfederstränge
Knickschutzfedern / Druck- und Zugfederstränge
Knickschutzfedern finden in den unterschiedlichsten Bereichen Anwendung.
Sie haben hauptsächlich die Aufgabe, Schläuche in verschiedenen Einsatzgebieten vor einem Knicken zu schützen um den Durchfluss von Flüssigkeiten bzw. Gasen zu gewährleisten.
Wir fertigen Knickschutzfedern sowie Druck- und Zugfederstränge in Drahtstärken von 0,2 mm bis 6,0 mm und Außendurchmessern bis zu 80,0 mm bei einer Länge von maximal 10.000 mm (10 m).
Auch hier sind alle Bauformen realisierbar und die Feder wird individuell nach Kundenwusch gefertigt.
Verwendete Werkstoffe:
- Federstahldrähte nach EN 10270-1 (DH, SH, SM,…)
- verzinkte Federstahldrähte nach EN 10270-1
- nichtrostente Federstahldrähte nach EN 10270-3 (1.4310, 1.4571, 1.4568, 1.4401,…)

Schenkel- / Doppelschenkelfedern
Knickschutzfedern / Druck- und Zugfederstränge
Knickschutzfedern finden in den unterschiedlichsten Bereichen Anwendung.
Sie haben hauptsächlich die Aufgabe, Schläuche in verschiedenen Einsatzgebieten vor einem Knicken zu schützen um den Durchfluss von Flüssigkeiten bzw. Gasen zu gewährleisten.
Wir fertigen Knickschutzfedern sowie Druck- und Zugfederstränge in Drahtstärken von 0,2 mm bis 6,0 mm und Außendurchmessern bis zu 80,0 mm bei einer Länge von maximal 10.000 mm (10 m).
Auch hier sind alle Bauformen realisierbar und die Feder wird individuell nach Kundenwusch gefertigt.
Verwendete Werkstoffe:
- Federstahldrähte nach EN 10270-1 (DH, SH, SM,…)
- verzinkte Federstahldrähte nach EN 10270-1
- nichtrostente Federstahldrähte nach EN 10270-3 (1.4310, 1.4571, 1.4568, 1.4401,…)

Sprengringe
Druckfedern
Sprengringe sind Sicherungsringe und dienen im Maschinenbau zum Sichern von verschiedenen Bauteilen auf Wellen bzw. Achsen und in Bohrungen.
Wir fertigen Sprengringe in den Ausführung A (Welle) und B (Bohrung) bis zu 5,0 mm Drahtstärke.
Neben den genormten Abmessungen finden sich auch Sonderanfertigungen in unserer Produktpalette wieder. Außendurchmesser sind hierbei bis 550 mm möglich.
Verwendete Werkstoffe:
- Federstahldrähte nach EN 10270-1 (DH, SH, SM,…)
- verzinkte Federstahldrähte nach EN 10270-1
- nichtrostente Federstahldrähte nach EN 10270-3 (1.4310, 1.4571, 1.4568, 1.4401,…)
- Inconell

Hakensprengringe
Sprengringe / Hakensprengringe
Sprengringe sind Sicherungsringe und dienen im Maschinenbau zum Sichern von verschiedenen Bauteilen auf Wellen bzw. Achsen und in Bohrungen.
Wir fertigen Sprengringe in den Ausführung A (Welle) und B (Bohrung) bis zu 5,0 mm Drahtstärke.
Neben den genormten Abmessungen finden sich auch Sonderanfertigungen in unserer Produktpalette wieder. Außendurchmesser sind hierbei bis 550 mm möglich.
Verwendete Werkstoffe:
- Federstahldrähte nach EN 10270-1 (DH, SH, SM,…)
- verzinkte Federstahldrähte nach EN 10270-1
- nichtrostente Federstahldrähte nach EN 10270-3 (1.4310, 1.4571, 1.4568, 1.4401,…)
- Inconell
Qualitätsmanagement

Eine gute Qualität unserer Produkte steht bei uns an erster Stelle, um den Anforderungen der Kunden gerecht zu werden und zu bleiben. CNC gesteuerte Prüfwaage. Dokumentiert und grafisch visualisiert. Dadurch ergibt sich eine kontinuierliche Überwachung der Fertigung.
Unser Unternehmen ist aktuell zertifiziert nach ISO 9001:2015.
Service

Wir helfen Ihnen gerne bei der Entwicklung von Druck- und Zugfedern sowie bei der Lösung von Problemen beim Einsatz von technischen Federn im entsprechenden Endprodukt.
Mit moderner Berechnungssoftware und Berechnungsmethoden entwickeln und konzipieren wir Federn für die verschiedensten Einsatzgebiete und die verschiedensten Anforderungen.





